A to D CONVERTER
DESCRIPTION
This product is obsolescent and should not be used for
new designs with a long lifetime.
The TDS9096 is an eight input analog to digital converter with
�5V input range and resolution 12 bits plus sign. Software file _TDS9096.TDS
is provided which allows conversion times of 114�s (any channel at random) or
140�s (continuous single channel). The output is -4096 to +4095 as a 16-bit
two's complement number, each unit of output corresponding to about 1.2mV input.
When using TDS9096 with the TDS9092 or TDS2020F, no features of the computer are lost.
For example, all the I/O lines (and 10-bit 8-channel A to D in the
case of the TDS2020F) are still available.
The TDS9096-PIN and TDS9092-PIN (or TDS2020F) sandwich to make a small module, or you can use the -PLUG versions
in a rack.
 |
The TDS9096 has the same dimensions (100 x 72mm), pin
connections and mounting holes as the TDS9092. A single +6 to +16V power
supply is required and less than 30mA is consumed, making it suitable
for battery-powered applications. Up to three TDS9096 A to D
converters can be used with a single TDS9092 computer.
|
|
TDS9096
|
PROCESSOR INTERFACE
The TDS9092 provides the data bus and control signals to the
TDS9096. The board can be placed in one of three positions in the address map,
selected by the position of a jumper link on the TDS9096:
018C-018F 019C-019F 01AC-01AF
On delivery, and in the software provided, the last of these
options is selected. Make sure that no other peripherals are added in the same
address space. If more than one A to D converter is used with one
computer, select a different address for each.
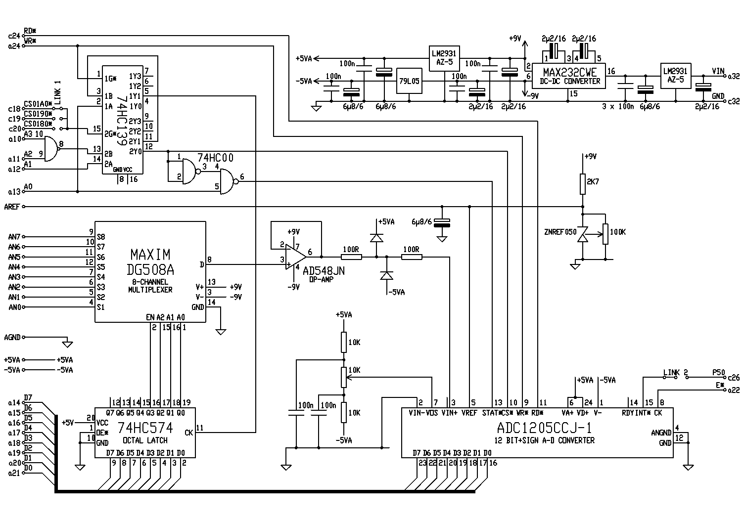
ANALOG MULTIPLEXER
A low power version of the DG508A multiplexer selects one of
8 input channels. The input range is �5V on each for full conversion range and
up to �9V can be applied without damage. The choice of channel is made by writing
to address 01xF where x is 8, 9 or A as selected by shorting link. Bits 0 to
2 choose the channel number 0 to 7 while bit 3 enables the multiplexer at logic
1.
An AD548 CMOS op-amp buffers the output from the DG508A. It
has a slew rate of 6�s between extremes of input range.
A TO D CONVERTER
The conversion is performed by a CMOS ADC1205 device. Its input
is protected from over-voltages of up to �9V by clipping diodes.
Multiturn potentiometers OFFSET and GAIN are used to adjust
for zero and range respectively. These are set on manufacture but should be
checked and trimmed if necessary.
The output is read from address 01xC where x is 8, 9 or A. The
address is read twice, the first byte is the upper, and the second the lower
one. The sign bit 12 is repeated in bits 13 to 15 which ensures that when the
two bytes are put together a twos complement conversion is directly obtained.
For further details see the ADC1205 data sheet from National Semiconductor Inc.
Provision has been made for the interrupt output of the chip
to be routed to IRQ1* on the TDS9092 computer by means of a shorting link, however
polling of the device in software provides a fast conversion stream without
interrupt handling.
REFERENCE VOLTAGE
The reference voltage is stable to typically 0.1mV over for
a change of power supply from +6 to +16V. It is adjusted by the GAIN trimmer.
POWER SUPPLY
The single wide-range input voltage +6 to +16V is regulated
to +5V by a low voltage drop-out device. A DC-DC converter then provides �9V
which in turn is regulated to give +5V and -5V. These rails are substantially
isolated from changes in the supply to the board. This, and the 30mA current,
allow battery operation if required.
The final +5V and -5V supplies are brought out on pins +5VA
and -5VA to power any input signal conditioning needed by the application. The
reference +5V is also available between AREF and AGND.
PHYSICAL
The size is 100 x 72mm and there are four corner mounting holes
for 2.5mm screws. The TDS9092's connections and hole positions match each other.
The diagram of a corner of the TDS9096 shows the position of the extra pins:
the 8 analog inputs AN0 to AN7, �5V output, voltage reference output and ground.
 |
There are two versions, which differ only in the 64-pin
connector. The TDS9096-PLUG has a DIN41612 type C plug and is suitable
for rack mounting (it is a short Eurocard). The TDS9096-PIN can be sandwiched
with the TDS9092-PIN computer to form a neat module with all the computer
pins repeated on the underside of the A to D board so that nothing
is lost. Alternatively mount the computer and TDS9096-PIN alongside each
other on a motherboard, for instance on a 160 x 100mm eurocard. We stock
suitable motherboard sockets under the order code PINSOCKETSET.
|
|
TDS9096 pin connections
|
There are two versions, which differ only in the 64-pin connector.
The TDS9096-PLUG has a DIN41612 type C plug and is suitable for rack mounting
(it is a short Eurocard). The TDS9096-PIN can be sandwiched with the TDS9092-PIN
computer to form a neat module with all the computer pins repeated on the underside
of the A to D board so that nothing is lost. Alternatively mount the
computer and TDS9096-PIN alongside each other on a motherboard, for instance
on a 160 x 100mm eurocard. We stock suitable motherboard sockets under the order
code PINSOCKETSET.
TDS9096 circuit diagram
Click the diagram for more detail, or to save a copy: 1. in Internet Explorer right click on the picture and select "Save Target as..." 2. in Netscape double-click the picture to open the file, then under "File" select the "Save As" option.
|